主站蜘蛛池模板: 黄山市| 大冶市| 海晏县| 甘肃省| 嫩江县| 屏边| 大化| 都匀市| 阳朔县| 蕉岭县| 合山市| 许昌市| 昭觉县| 惠东县| 娄烦县| 高邑县| 石城县| 富阳市| 微山县| 黄浦区| 搜索| 榆中县| 宁都县| 昭通市| 横山县| 定日县| 洛南县| 广南县| 天台县| 德清县| 东源县| 南部县| 肃北| 盐城市| 乾安县| 阳高县| 疏附县| 和龙市| 云林县| 武夷山市| 柳河县|
大連電機 大連電機維修
大連電機 > 產品展示

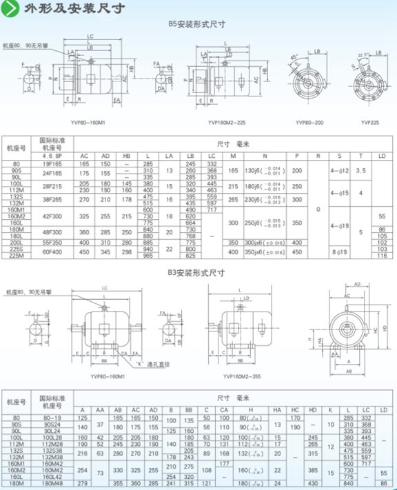
YVP變頻電機

2.jpg

3.jpg

4.jpg

<< 返回

. 變頻電機選擇風機的必要性及使用原則
. 這9家電機廠建有國家企業技術中心!
. 電磁振動對電機性能的影響嚴重
. 5家電機廠榮登2021年智能制造喜榜
. 用12V電壓堵轉380V電機能燒掉繞···
. 電機起動過程用到的軟啟動裝置,是保護···
大連三戟電機電器有限公司 版權所有 遼ICP備12016725號
地址:大連市沙河口區香周路299號(金帝五金交易中心院內) 聯系電話:0411-86804426,86664281