主站蜘蛛池模板: 枣强县| 罗定市| 伊金霍洛旗| 蓝山县| 沅陵县| 墨竹工卡县| 剑河县| 玉环县| 琼结县| 丰县| 龙游县| 乌兰浩特市| 彩票| 凤翔县| 三门峡市| 无为县| 南郑县| 枞阳县| 临沧市| 郁南县| 华池县| 张家界市| 河曲县| 安义县| 赤壁市| 泰州市| 南澳县| 全州县| 晋宁县| 郓城县| 祥云县| 北京市| 衡阳市| 湘乡市| 微山县| 东乌| 霍邱县| 新昌县| 南部县| 郎溪县| 安多县|
大連電機 大連電機維修
大連電機 > 技術參數

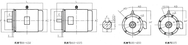
B5電機外形及安裝尺寸

2022-11-22 21:21:32

1.jpg

2.jpg

. 變頻電機選擇風機的必要性及使用原則
. 這9家電機廠建有國家企業技術中心!
. 電磁振動對電機性能的影響嚴重
. 5家電機廠榮登2021年智能制造喜榜
. 用12V電壓堵轉380V電機能燒掉繞···
. 電機起動過程用到的軟啟動裝置,是保護···
大連三戟電機電器有限公司 版權所有 遼ICP備12016725號
地址:大連市沙河口區香周路299號(金帝五金交易中心院內) 聯系電話:0411-86804426,86664281